邹平博丰智能机械有限公司
联系人:杨总
手机:18860595888
400免费电话:400-0543-166
电话:0543-4961088
传真:0543-4961088
地址:山东.邹平.明集工业园
邮箱:sdbofengzhineng@126.com


技术参数 Technology Details
| 水管材质 |
钢丝编织橡胶管 |
|
常规产品水管规格 |
10mm(内径)*17mm(外径) |
|
常规产品水管长度 |
输入线1m,输出线10m |
|
常用压力 |
18Mpa |
|
爆破压力 |
45Mpa |
|
输送介质 |
高压水、气、稀油 |
|
产品重量 |
15kg |
高压鼓产品型号 Product Model
| 型 号 |
气管规格 |
气管长度 |
|
BF-GB1710 |
10mm(内径)*17mm(外径) |
10m |
|
BF-GB1712 |
10mm(内径)*17mm(外径) |
12m |
高压鼓接头Tambour Connector

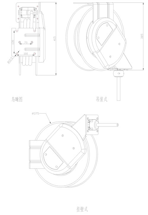
产品尺寸 Size

2 主要用来传输高压水、气、稀油等流体;
3 特殊的密封设计、在高压状态下伸缩软管,不会损害密封圈;
4 高压管子防腐耐油,经久耐用;
5 提高工作效率,改善工作环境;钢制棘爪、棘轮,安全耐用,铜制轴芯、接头不易生锈;
6 采用铜质轴套式轴承,把摩擦降到最低。

邹平博丰智能机械有限公司专业生产自动卷管轴系列产品,主要产品有自动伸缩工作灯系列、自动伸缩排插系列、自动伸缩空气卷轴系列和自动伸缩花园浇灌水管卷轴系列,欢迎各界朋友前来参观采购。联系人:刘经理 手机:18754341866
“博丰”品牌自动卷轴系列产品已成为众多汽车品牌4S点的“指定使用产品”及“园林绿化浇灌”的首选工具!
本文《新款高压鼓》是由邹平博丰智能机械有限公司原创或来源网络信息整理!
下一篇:没有了







