产品分类
联系我们
邹平博丰智能机械有限公司
联系人:杨总
手机:18860595888
400免费电话:400-0543-166
电话:0543-4961088
传真:0543-4961088
地址:山东.邹平.明集工业园
邮箱:sdbofengzhineng@126.com
博丰智能迷你气鼓卷管器产品详情


迷你气鼓外形


技术参数 Technology Details
| 水管材质 |
PU夹纱管 |
|
常规产品水管规格 |
5mm(内径)x8mm(外径) |
|
常规产品水管长度 |
输入线1m,输出线10m |
|
常用压力 |
1.2Mpa |
|
爆破压力 |
4.0Mpa |
|
输送介质 |
常压水、气 |
|
产品重量 |
1.0Kg |
迷你气鼓产品型号 Product Model
| 型 号 |
气管规格 |
气管长度 |
|
BF-MNQ845 |
5mm(内径)x8mm(外径) |
4.5m |
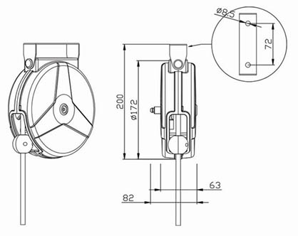
产品尺寸 Size

产品特点 Features
1 适用维修车间、装配车间、工厂流水线等小型气动工具;
2 提高工作效率,改善工作环境;
2 提高工作效率,改善工作环境;
3 封闭式结构,避免灰尘杂物,延长软管使用寿命;
4 ABS工厂塑料外壳,钢制卷盘,PU夹纱管;
4 ABS工厂塑料外壳,钢制卷盘,PU夹纱管;
5 钢制棘爪、棘轮,安全耐用,铜制轴芯、接头不易生锈;
6 采用铜质轴套式轴承,把摩擦降到最低。
6 采用铜质轴套式轴承,把摩擦降到最低。
Suitable for small pneumatic tools in vehicle workshop,installation
Workshop and production lines,etc. lmprove working efficiency and working condtions
Closed structure avoids the dust outside,which can increase the tube
Working time.
With ABS engineering plastic case, steel made reel and PU tube. Copper made spindle and joint avoid to getting rusty.
The copper shaft sleeve bearing reduce the friction to the lowest..
工程案例 Features

关于我们
邹平博丰智能机械有限公司专业生产自动卷管轴系列产品,主要产品有自动伸缩工作灯系列(电鼓)、自动伸缩插排系列(电鼓)、自动伸缩气管卷管器(气鼓)、自动伸缩水管卷管器(水鼓)、自动伸缩花园浇灌水管卷轴系列,欢迎各界朋友前来参观采购。
联系人:薛经理:18954358777
“博丰”品牌自动卷轴系列产品已成为众多汽车品牌4S店的“指定使用产品”及“园林绿化浇灌”的首选工具!
邹平博丰智能机械有限公司专业生产自动卷管轴系列产品,主要产品有自动伸缩工作灯系列、自动伸缩排插系列、自动伸缩空气卷轴系列和自动伸缩花园浇灌水管卷轴系列,欢迎各界朋友前来参观采购。联系人:刘经理 手机:18754341866
“博丰”品牌自动卷轴系列产品已成为众多汽车品牌4S点的“指定使用产品”及“园林绿化浇灌”的首选工具!
本文《迷你气鼓》是由邹平博丰智能机械有限公司原创或来源网络信息整理!
上一篇: 五星气鼓
下一篇:没有了
下一篇:没有了











